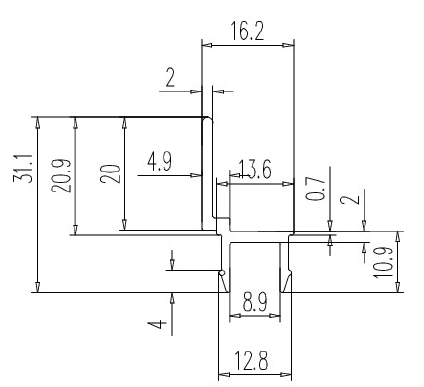
アルミ製浴室ガラス戸当り
モデル :
DL2037B
|
製品名 |
色 |
仕様 |
材料 |
||
|
長さ |
幅 |
埋め込み長さ |
|||
|
アルミ製浴室ガラス戸当り |
陽極處理鋁色 電鍍鉻 |
25mm |
31mm |
13mm |
アルミ |
