アルミ製浴室ガラス用ドアレールカバー
モデル :
DL2037C
|
製品名 |
色 |
仕様 |
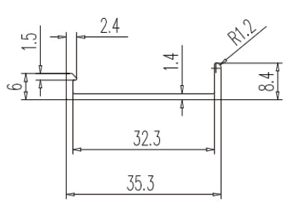
材料 |
||
|
長さ |
幅 |
厚さ |
|||
|
アルミ製浴室ガラス用ドアレールカバー |
陽極處理鋁色 電鍍鉻 |
25mm |
35mm |
1.5mm |
アルミ |
